Установка дымоходов на газовый котел в частном доме. Порядок устройства дымохода газового котла в частном доме
Установка дымоходов на газовый котел в частном доме. Порядок устройства дымохода газового котла в частном доме
В зависимости от того на каком этапе планируется установка дымохода для газового котла, система отвода может быть внутренней или наружной (выносной). В строящихся коттеджах, где предусмотрено использование газовых котлов, применяют внутренние дымоходы, размещение которых учтено проектом. В домах старой постройки при переходе на отопление посредством газового котла, дымоход выводят наружу.
Сравнить слабые и сильные стороны наружных и выносных дымоходов можно ознакомившись с таблицей:
| Тип дымохода | |
| Выносной | Внутренний |
| Требуется полная теплоизоляция дымоотвода | Теплоизоляция необходима только на участке, который выходит наружу |
| При соблюдении норм гарантирована безопасная эксплуатация | Не исключена возможность проникновения продуктов сгорания в помещение, высокая пожароопасность |
| Устройство дымохода выполняется из однотипных элементов и отличается простотой исполнения | Отличается сложным монтажом, так как существует необходимость в большом количестве комплектующих и составных элементов дымоотвода |
| Доступность в проведении любого рода ремонтных работ и технического обслуживания | Затруднительность в проведении обслуживания и ремонта дымохода |
Выполнение монтажа дымохода газового котла внутреннего типа сопряжено с возведением фундамента и защитного канала из кирпича. Тогда будет обеспечена безопасность эксплуатации. Такие системы более эффективны и образование в них конденсата минимальное. В некоторых случаях дымоходы могут быть пристроены к стене дома, за которой установлен котел.
Устройство выносного дымохода требует качественного крепления и обязательного максимального утепления, так как конденсат в таких сооружениях образуется в большем количестве.
Основные этапы установки дымохода для газового котла внутреннего исполнения:
- разметка мест под устройство отверстий в перекрытии и кровле дома;
- устройство проема под дымоход;
- соединение патрубка котла с газоходом;
- установка ревизии, тройника;

Основные виды сборки двустенных вертикальных дымоходов. Их устройство: 1 — оголовок; 2 — сэндвич-труба; 3 — проход кровли стальной; 4 — декоративный потолочно-проходной узел; 5 — старт-сэндвич; 6 — труба модульная; 7 — шибер поворотный; 8 — котел с вертикальным дымоходом; 9 — адаптер; 10 — тройник 90 градусов модульный; 11 — монтажная площадка; 12 — опора напольная под монтажную площадку; 13 — шибер-задвижка; 14 — отвод 90 градусов модульный; 15 — проход стеновой; 16 — кронштейн стеновой; 17 — сэндвич-тройник 90 градусов; 18 — заглушка с конденсатоотводом; 19 — опора стеновая под монтажную площадку; 20 — проход кровельный Мастер Flash; 21 — кронштейн телескопический; 22 — отвод 135 градусов модульный; 23 — труба 0,25 м (1,0 мм); 24 — короб из минерита (базальтовый картон 10 мм); 25 — фланец
- наращивание трубы дымохода;
- усиление стыков хомутами;
- крепление конструкции кронштейнами;
- теплоизоляция наружной части.
Установка дымохода на напольный газовый котел. Требования к дымоотводам газовых котлов
Отопление магистральным газом самое удобное и дешевое (стоимость подключения тут выносится в скобки); если у домовладельца есть возможность провести газ в дом, он редко сомневается. Но, говоря сухим языком официальных интервью "для безопасной работы газового оборудования должно быть обеспечено удаление продуктов сгорания газа, поэтому такое большое значение уделяется исправной работе дымовых каналов". От качества дымохода газового котла зависит даже не качество жизни, а сама жизнь, поэтому соблюдение требований к дымовым каналам газовых котлов так жестко контролируется и в Москве, и в самой отдаленной деревне.
Эти требования прописаны в ряде документов, в том числе в СНиП 2.04.05, СНиП-91. СП 7.13130.2013 и п.5.1.1.ВДПО. Также всегда учитываются рекомендации производителя. Вот основные положения из этих документов:
- Тяга должна быть такой, чтобы полностью удалять отработанные газы;
- Дымоотвод должен быть устойчивым к высоким температурам;
- Согласно СП 7.13130.2013 Отопление, вентиляция и кондиционирование. Требования пожарной безопасности, высота дымовой трубы не может быть менее пяти метров. Она должна не менее, чем 50 мм, выступать над плоской кровлей; не менее, чем 500 мм - над коньком кровли или парапетом (если расположена на расстоянии до 1,5 м от них); быть не ниже конька кровли или парапета, (если расположена на расстоянии 1,5- 3 м от них) и не ниже линии, проведенной от конька вниз под углом 10° к горизонту (если она расположена на расстоянии более 3 м от конька.

- Если рядом с дымовыми трубами расположены вытяжные вентканалы, они должны быть такой же высоты, как эти трубы.
- Составные части дымохода на всем его протяжении должны быть герметичны, а в месте прохождения через перекрытия труба должна быть цельной и без стыков;
- В составе дымоотводной системы необходимо предусмотреть конденсатосборник;
- Стенка металлической трубы делается из легированной стали высокого качества с антикоррозийным покрытием.
При монтажных работах учитываются следующие правила:
- У каждого котла должен быть единичный дымоотвод;
- Высота и размер сечения труб дымохода необходимо правильно подбирать для свободного и полного вывода дыма;
- Расстояние между дымоотводными трубами и поверхностями зависит от материалов, из которых сделаны эти поверхности; для негорючих материалов установлен отступ в 50 мм и более, для горючих – 25 см и более.
Mr Leshiy Участник FORUMHOUSE
Для газового котла достаточно и 0,5 мм толщины - главное чтобы сталь была 300-х марок, AISI 304, 316, 321.
- Чтобы чистить дымовые каналы от сажи, нужны углубления около 250 мм;
- На дымоотводных трубах могут быть повороты, но не болеет трех, их закругление равно диаметру трубы, в местах поворотов должны быть ревизионные люки;
- На дымовых трубах рекомендуется устанавливать зонты и оголовки.
Регион190 Участник FORUMHOUSE, мастер-приемщик в ВДПО
Собирать по конденсату. Люк для чистки дымохода обязательно ниже тройника на 25 см (будет 15-20 см примут, 10 см начнут умничать). Разгонный участок (прямая труба от котла) не менее 700 мм. Дымоповорот-не более трех (тройник и два колена, лучше чтоб было два). Горизонтальный участок не более 3-х метров. Тройник - 90 градусов (не все газовые тресты примут 45, у них свои рекомендации и правила и им плевать, что написано в инструкции по котлу). Расстояние монотрубы от горючих материалов 25 см, от негорючих 5 см; термотрубы - 5 см. Ни в коем случае не прикасаться к газовой трубе, дымоход - газоход не менее 5 см от неё!
Дымоход для напольного газового котла Лемакс. Турбонасадка для газового котла Лемакс
"Купил котёл "ЛЕМАКС" серии "ПРЕМИУМ" с автоматикой SIT 820 NOVA и турбонасадку "ЛЕМАКС". Пригласил из сервисного центра по обслуживанию газовых котлов для запуска котла и подсоединения турбонасадки к котлу. Насадку подсоединили, но не совсем правильно. Вентилятор насадки работает постоянно. При отключённой основной газовой горелки вентилятор не останавливается. Я обратил внимание специалистов на это, неоднократно пытались это положение исправить. Но безрезультатно. В конце концов они меня бросили. У меня вопрос - как подсоединить насадку так что бы вентилятор останавливался при отключении основной горелки? Заранее благодарен за консультативную помощь."
Постараемся в сегодняшней статье рассказать, что такое турбонасадка для газового котла Лемакс, на какие котлы она подходит, и постараемся ответить на вопрос, который оставили на нашем форуме 2 ноября пользователь Игорь.
Турбонасадка предназначена для отвода продуктов сгорания принудительным способом, что позволяет использовать газовые котлы без специально организованного дымохода естественной тяги.
Для котлов мощностью 10 кВт диаметр дымохода составляет 100 мм.
Для котлов мощностью от 12,5 до 30 кВт. диаметр дымохода 130 мм.
Для котлов мощностью от 35 до 40 кВт. диаметр дымохода 140 мм.
В изделие установлен вентилятор на номинальное напряжение 220 В. 50 Гц
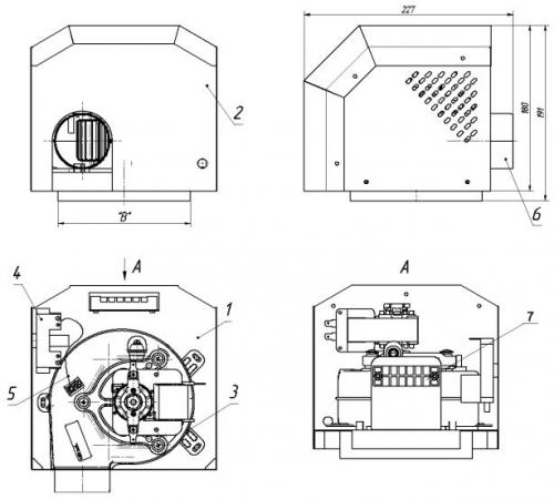
Турбонасадка состоит из корпуса, на которой установлен вентилятор п. 3 с входным и выходным патрубками. На корпусе установлен прессостат (реле давления воздуха) п. 4 соединенный с вентилятором трубкой. Все электрические соединения коммутируются через клемную колодку п. 7.
1 – Основание турбонасадки.
2 – Крышка турбонасадки.
3 – Вентилятор
4 – Моностат.
5 – Трубка подключения моностата.
6 – Дымоотводящий патрубок.
7 – Клемная колодка.
Устройство и работа.
Блок управления турбонасадки рассчитан на подключение к котлам оборудованным автоматикой безопасности SIT 820 NOVA и SIT 845 Sigma .
Турбонасадка осуществляет принудительное удаление продуктов сгорания котла по сигналу терморегулятора (терморегулятор, установленный на котле, поддерживает температуру на уровне, заданном потребителем). При этом прессостат (реле давления воздуха) замыкает контакты только в том случае, когда давление воздуха на выходе из турбонасадки соответствует заданному параметру. При выходе за границы давления в дымоходе выше или ниже установленного, контакты разомкнутся и произойдет разрыв цепи безопасности котла.
При аварийной остановке вентилятора турбонасадки или при перекрытии выхода дымовых газов останавливается работа котла, то есть автоматика безопасности SIT 820 NOVA (блок управления энергозависимого котла) прекращает подачу газа на основную горелку.
Размещение дымоходной трубы:
если нет конденсатосборника, должна быть установлена под углом к земле, не давая конденсату стекать обратно. Оптимальный уклон составляет 3–6°.
минимальное расстояние до дверей, окон и открытых вентиляционных решеток (отверстий) по горизонтали должно составлять 0,5 метра;
минимальное расстояние до верхней грани дверей, окон и открытых вентиляционных решеток (отверстий) также должно составлять 0,5 метра;
расстояние по вертикали от окон, расположенных над отверстием дымового канала – от 1 метра;
в районе 1,5 метра от трубы не должно быть никаких преград, скажем, стен, столбов и т. д;
каждый поворот сокращает длину трубы на: 0,5 метра – 45 градусов, 1 метр – 90 градусов;
во избежании засорения и задувания обязательная установка дефлектора на дымоход

Схема энергонезависимого котла
Группа контактов автоматики 820 Nova
ТП - термостат предохраниетельный
ТР - термостат регулируемый
Схема турбонасадки "Лемакс" для энергонезависимого котла.
ТП - термостат предохраниетельный
ТР - термостат регулируемый
ВТ - вентилятор
ПТ - пресостат (реле давление воздуха)
РП - реле промежуточное
Схема подключения турбонасадки «Лемакс» к котлу с автоматикой безопасности SIT 820 Nova и блоком задержки времени (пускатель ПМЛ 1100 и приставка ПВЛ-22(21)).
ТП - термостат предохраниетельный
ТР - термостат регулируемый
БЗВ - Блок задержки времени
Схема турбонасадки "Лемакс " для энергонезависимого котла.
ТП - термостат предохраниетельный
ТР - термостат регулируемый
ВТ - вентилятор
ПТ - пресостат (реле давление воздуха)
Схема подключения турбонасадки «Лемакс» к котлу с автоматикой безопасности SIT 820 Nova
ТП - термостат предохраниетельный
ТР - термостат регулируемый
Схема подключения турбонасадки «Лемакс» к котлу с платой управления.
ТР - термореле
Комплект проводов для подключения турбонасадки «Лемакс»
Р - розовый
Б - белый
Г - голубой
К - красный
Ж/З желто-зеленый

1. Провод №5 отсоединить от разъема №7.
2. Провод №5 соединить с проводом №3.
3. Провод №6 отсоединить от разъема №8.
4. Провод №6 соединить с проводом №4.
5. Провод №1 подключить к разъему №7.
6. Провод №2 подключить к разъему №8.