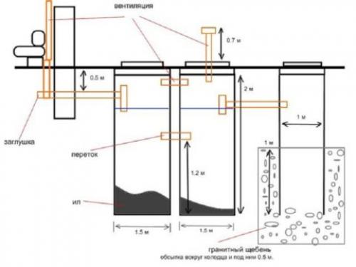
Как правильно закопать кольца под канализацию. Трехкамерный
- Как правильно закопать кольца под канализацию. Трехкамерный
- Как правильно закопать пластиковый пруд. Пластиковый пруд на даче: установка, оформление своими руками
- Как правильно закопать кольца под канализацию одному. Установка канализационных колец —, что и в какой последовательности делать
- Как правильно закопать дренажную трубу. Технология, как правильно делается дренаж для канализации на дачной и садовой территории
- Видео как закопать бетонные кольца под канализацию вручную!/Выгребная яма из бетонных колец
Как правильно закопать кольца под канализацию. Трехкамерный
Трехкамерный септик – самый эффективный, позволяющий на выходе получить практически чистые и безопасные стоки. Он дополнен ещё одной емкостью с герметичным дном, но роль его в процессе очистки несколько иная.
- Первый отсек септика делается практически герметичным, без доступа внутрь кислорода. В нем происходит первичная очистка с осаждением взвесей и переработкой органики анаэробными бактериями.
Для справки. Анаэробными называются бактерии, для жизнедеятельности которых не нужен кислород.
- Во втором отсеке фильтрационный процесс продолжается. Но он оборудуется вентиляционной трубой для доступа внутрь кислорода. Здесь за дело принимаются аэробные бактерии, перерабатывающие остатки органики.

Применение специальных средств с живыми бактериями повышает эффективность септиков
- Осадка в виде ила во второй камере скапливается уже меньше, а осветленная жидкость переливается в фильтрующий колодец с перфорированными стенками и без дна. Перед уходом в грунт она окончательно фильтруется, проходя через песчано-щебеночную обсыпку колодца.

Схема канализации из бетонных колец с трехкамерным септиком
Существует вариант, когда канализация в частном доме из бетонных колец дополняется не фильтрующим колодцем, а дренирующими полями. Он является единственно возможным, если грунтовые воды залегают близко к поверхности земли, так как между их уровнем и дном фильтрующего колодца должно оставаться не менее метра.

Автономное очистное сооружение с полем фильтрации
Но обустройство полей фильтрации требует большой площади, на которой нельзя размещать строения, устраивать парковки и прочие хозяйственно бытовые объекты.
Независимо от вида септика, без его периодической откачки не обойтись. Но чем выше степень очистки, тем реже придется вызывать ассенизаторскую технику.

Как правильно закопать пластиковый пруд. Пластиковый пруд на даче: установка, оформление своими руками
Пластиковый пруд на даче своими руками обустроить гораздо проще, чем из любого другого материала. А эстетика от этого водоема не менее впечатляющая. Широкий спектр функционального применения и отличные эксплуатационные свойства позволяют назвать декоративный пластиковый пруд практичным решением, как для небольших дачных участков, так и для обустройства парковой зоны.
Виды и их особенности
В зависимости от цели установки выбирают форму емкости. Пластиковая чаша для пруда зачастую имеет неровные параметры ширины, глубины и длины. Наиболее популярной является искривленная посередине восьмерка с каскадными краями. В такой емкости удобно расположить растения, прибегнув к классическому декорированию камнями по краям.
Недорогие пластиковые пруды для дачи можно создать, используя один из 3 видов емкостей:
- Полиэтиленовые. Бюджетный вариант для самых маленьких форм, прослужит до 10 лет. Недостатком является возможность получения трещин от изгибов и требовательность к разравниванию дна при установке.
Полипропиленовые чаши
- Полипропиленовые. Материал более прочный, поэтому и эксплуатационные характеристики лучше – до двух десятков лет службы. Подходит для обустройства водоемов средних размеров.
- Стеклопластиковые (стекловолоконные). Самые большие и долговечные – прослужат до 30 лет при условии правильного монтажа. Такие емкости используют зачастую как бассейны, а также искусственные озера.
Стеклопластиковый(стекловолоконный) пруд
Для разведения рыб также используют многоуровневые конструкции, но глубина чаши должна быть внушительней, если планируется разведение речных крупных видов. На маленьком участке гармонично смотрится округлый или овальный пруд. А прямоугольные и квадратные формы применяют в тех случаях, если водоем будет использоваться для купания людей. Размеры пластиковых прудов ввиду специфики конструкции указываются по наибольшей единице. Например, если с одной стороны емкость узкая, то ширина измеряется с противоположной; глубина – по самой низкой точке днища.
Купить пластиковый пруд для дачи не составит труда. Главное точно понимать какой размер, объем и срок службы необходим. Основными производителями в этом сегменте являются немецкие, местные и китайские компании. Первые – наиболее дорогие, последние – наименее качественные. А наши производители пользуются заслуженной популярностью ввиду понимания климатических условий и правильным коэффициентом релевантности в вопросе объема изделия и толщины его стенок.
Установка пластикового пруда на даче
После покупки соответствующей желаниям и возможностям емкости, приступают к локализации ее на территории участка. Как установить пластиковый пруд на даче? Этапы работы практически не зависят от размера чаши. Схема достаточно проста:
- очерчивание контура емкости на поверхности грунта;
- при многоуровневой чаше желательно также нанести показатели этих неровностей, чтобы точно знать, где и на какую глубину рыть землю;
- выкапывание траншеи (для небольших водоемов – вручную, для более объемных – с помощью специальной техники), которая превышает размер пластиковой формы на 20 см в ширину и на 15 см в глубину;
- днище ямы засыпают песком на 2 см и выравнивают поверхность, чтобы обеспечить наиболее устойчивое положение емкости (особо крупные требуют бетонирования поверхности);
- в таком положении песок оставляют на несколько дней для усадки;
- опускается пластиковая форма и закрепляется деревянными подпорками;
- проверяется ровно ли стоит изделие с помощью строительного уровня (предварительно в емкость можно налить 1/3 воды для устойчивости);
- если все устраивает, по бокам засыпается влажный песок (либо сухой с перманентным поливом для утрамбовки), а деревянные подпорки удаляются;
- на 3-4 дня водоем оставляют для усадки, после чего досыпают песок при необходимости.
Важно помнить, что при досыпке песка следует добавлять и воду в емкость с расчетом, что жидкость будет на 10 см выше по уровню, чем песок.
Оформление водоема
И последним, но не менее значимым этапом будет оформление пластикового пруда. От того, насколько грамотно подобраны растения, зависит целесообразность всего процесса.
Так как чаша изначально имеет не естественный для живой природы внешний вид, ее стараются обрамлять в природные материалы: песчаник, плитняк, сланец. Главное правило оформления – чувство меры. Крупные камни не подойдут к ободковому обрамлению мелких водоемов. Здесь выбирают плоские вариации, помогающие водоему влиться в окружающий ландшафт.
Эта же аксиома работает и с выбором растительности. Наилучшие композиции получаются при использовании разноуровневых нецветущих растений по краям и умеренного подсаживания лилий. Быстрорастущие виды принесут массу дополнительных хлопот по очистке водоема и могут превратить его из оазиса в настоящее болото.
При использовании всех рекомендаций специалистов, с помощью пластиковых форм на участке любой величины создаются уникальные флористические ансамбли, радующие глаз владельца и восхищающие гостей. Поверьте — соорудить пластиковый пруд на даче своими руками не так уж сложно.
Как правильно закопать кольца под канализацию одному. Установка канализационных колец —, что и в какой последовательности делать
Обустройство конструкции отведения стоков – одна из основных проблем, которую приходится решать владельцу частного дома. Для выполнения этой работы можно использовать различные стройматериалы, но при желании установить канализационную систему самостоятельно специалисты рекомендуют задействовать один из наиболее распространенных вариантов – это установка колец для канализации (см. фото).

Важная особенность данных железобетонных изделий заключается в их круглой форме, благодаря чему облегчается процесс гидроизоляции. Монтаж систем канализации с применением колец имеет как преимущества, так и недостатки.
Обустраивать канализацию, когда используются кольца под канализацию, необходимо строго в соответствии с инструкцией. Выполняя эту работу самостоятельно, можно завершить ее в кратчайшие сроки и при этом сэкономить деньги. Кольца гораздо прочнее кирпичей и более долговечны.
Установка канализационных колец относится к несложной работе по причине их идеально круглой формы. Но у них имеется такой серьезный недостаток как большой вес, поэтому для их перемещения по земельному участку необходимо задействовать подъемную спецтехнику (прочитайте: «Канализация из бетонных колец — устройство по правильной схеме «). Катать же их нежелательно, поскольку на них могут появиться трещины.
Монтаж колец для канализации выполняется с использованием следующих инструментов:
- кельма;
- линейка и правило;
- молоток и зубило;
- растворный ящик;
- бочка для воды;
- трамбовка;
- ведро.
Как правильно закопать дренажную трубу. Технология, как правильно делается дренаж для канализации на дачной и садовой территории
Такой дренаж представляет собой систему труб с перфорацией, обернутых геотекстилем, которая работает совместно как с канализацией домостроения, так и с септиком.
Что нужно, чтобы ставить?
Для самостоятельного обустройства дренажной системы понадобятся:
- дрены, приобретённые в торговой сети либо изготовленные своими руками из канализационных труб;
- песок с размером частиц 1-1,5 мм;
- гравийная засыпка с величиной фракций материала 20-40 мм;
- геотекстиль.
Как закладывать в канаву, устанавливать и соединять для отвода воды?
Обо всех тонкостях, как правильно составить схему отвода воды, на какой глубине проложить систему, из чего класть подушку в канаву, как соединить и стыковать две единицы трубопровода между собой, чем можно обернуть, закрыть и засыпать дренаж вокруг дома на даче рассказано далее. Порядок, как положить и монтировать своими руками:
- Составляют схему прокладки дренажной системы, отмечая на ней места слива дождевой воды.
- Определяют направление прокладки дрены и места установки сборников жидкости.
- Производят разметку на участке.
- Учитывая, что канализационная труба устанавливается на глубине 0,45-0,65 м под уклоном 2-3 градуса, а бак септика не глубже 1,25-2 м, разрабатывают траншею глубиной 1,2-1,5 м, в зависимости от уровня грунтовых вод, и шириной 0,5-1 м.
Важно! При формировании дна траншеи необходимо учитывать уклон в сторону стекания вод, который при стандартном диаметре трубы 110 мм должен составлять 1-2 см на 1 погонный метр изделия. При уменьшении диаметра дрены её пропускная способность снижается — соответственно, уклон должен увеличиваться.
- На дне траншеи устраивают «подушку» из тщательно утрамбованного песка, формируя её с учётом предусмотренного уклона.
- Чтобы предотвратить заиливание гравиево-щебёночной засыпки, в траншею нужно правильно уложить геотекстиль таким образом, чтобы его края выходили за пределы углубления, так как потом свободный край еще пригодится.
- Насыпают слой промытого гравия или мелкого щебня (фракция до 16 мм) толщиной 20 см.