Как сделать электропроводку в деревянном доме. Главные требования, предъявляемые к проводке
- Как сделать электропроводку в деревянном доме. Главные требования, предъявляемые к проводке
- Какой провод использовать для проводки в доме. Выбор сечения кабеля для квартиры, дома, дачи
- Как правильно провести проводку в доме схема для новичка. Как правильно развести проводку в частном доме своими руками: пошаговая инструкция монтажа для новичка, схемы подключения
- Сколько стоит сделать проводку в квартире с нуля. Прайс-лист на электромонтажные работы
- Какую проводку лучше использовать в частном доме. Схемы электропроводки в частном доме
- Как найти электропроводку в стене с помощью смартфона. 5 способов найти скрытую проводку в стене
- Видео электрика в деревянном доме. Как делать правильно?
Как сделать электропроводку в деревянном доме. Главные требования, предъявляемые к проводке
Монтаж электропроводки в деревянном доме отличается особенными требованиями. Ввиду того, что строения из дерева относятся к категории пожароопасных, то и условия прокладки силовых кабелей и проводов совсем иные. Поэтому не стоит думать, раз вы умеете отличать «фазу» от «ноля» или меняете розетки с выключателями, то и вся электрика в деревянном доме своими руками вам будет по плечу.

Желательно, чтобы весь объём работ (от подведения электричества к дому и вплоть до установки последнего светильника) выполняли профессиональные электрики. Но так как среди людей этой профессии тоже встречается немало халтурщиков, каждому владельцу частного деревянного домостроения полезно будет знать основные принципы, требования и правила монтажа электропроводки, чтобы оценить потом качество выполненной работы.
- Проводка бытовой электрической сети в деревянном доме выполняется кабелем, имеющим негорючую оболочку и низкий уровень выделения дыма. Такой кабель вы легко сможете отличить по маркировке, в его аббревиатуре обязательно присутствуют буквы «нг» (не поддерживающий горение). Его внешняя оболочка сделана из негорючего поливинилхлорида, это качество достигается за счёт использования при изготовлении специальных пластикатов. У проводников такого типа снижен уровень выделения дыма, он при пожарах является особенно опасным фактором, ведь дымовая завеса ухудшает светопроницаемость и мешает проведению аварийно-спасательных работ.
- Разводка должна быть выполнена таким образом, чтобы полностью исключить возможность поражения электрическим током людей и домашних животных.

- Запрещается прокладка электрической проводки в деревянном доме вблизи нагреваемых поверхностей (дымоходы, печи, камины).
- Необходимо полностью исключить вероятность возгорания кабеля и перехода огня на деревянные поверхности в случае, если возникнет короткое замыкание.
- Монтаж скрытой электропроводки в деревянном доме выполняется только по несгораемым конструкциям.
- Проведенные кабели и провода, а также установленные коммутационные аппараты должны быть с такими эксплуатационными характеристиками, чтобы иметь достаточный запас для потребляемой суммарной мощности.
- Не допустим нагрев проводников и соединительных электрических узлов.
Важно помнить! Не стоит улучшать интерьерное оформление деревянного домостроения путём снижения уровня безопасности. Пытаясь решить эстетические проблемы, можно вызвать катастрофические последствия.
Какой провод использовать для проводки в доме. Выбор сечения кабеля для квартиры, дома, дачи
Статья о том, как правильно выбрать сечение провода или кабеля
Во время электромонтажных работ, а именно, на стадии прокладки проводов, кабелей, «Особо продвинутые» заказчики интересуются, почему мы прокладываем, к примеру, на розетки,сечением 2.5 мм кв, когда вполне достаточно 1.5 мм кв, исходя из потребляемой мощности… В этой статье мы попробуем разобраться с сечением проводов, прокладываемых для различных потребителей.
Итак, от того, насколько верно вы подберете сечение прокладываемых проводов, во многом зависит и дальнейшая работоспособность потребителей.
Электропроводка в доме , даче или квартире начинается с вводного кабеля. На этот самый кабель ложиться вся основная нагрузка, которая есть в доме. Для того, чтобы узнать какого сечения необходим вводной кабель, нам нужно посчитать все электроприборы, которые могут работать в доме -,, утюг, микроволновая печь, кондиционеры и т.д. В итоге мы узнаем суммарную мощность, которую потребляют электроприборы в вашем доме. Далее, умножьте эту цифру на коэффициент 0,75. Вот эта самая циферка нам и нужна.
Обязательно посмотрите:
Для более правильного подсчета потребляемой мощности, вам поможет таблица, где указаны приборы и мощность, которую они потребляют.
| Название электроприемника | Приблизительная мощность, Вт | Название электроприемника | Приблизительная мощность, Вт |
| телевизор | 300 | кондиционер | 1500 |
| принтер | 500 | проточный нагреватель воды | 5000 |
| компьютер | 500 | бойлер | 1500 |
| фен для волос | 1200 | дрель | 800 |
| утюг | 1700 | перфоратор | 1200 |
| электрочайник | 1200 | электроточило | 900 |
| вентиляторы | 1000 | дисковая пила | 1300 |
| тостер | 800 | электрорубанок | 900 |
| кофеварка | 1000 | электролобзик | 700 |
| пылесос | 1600 | шлифовальная машина | 1700 |
| обогреватель | 1500 | циркулярная пила | |
| СВЧ-печь | 1400 | компрессор | |
| духовка | газонокосилка | 1500 | |
| электроплита | 3000 | сварочный агрегат | 2300 |
| холодильник | 600 | водяной насос | 1000 |
| стиральная машина | 2500 | электромоторы | 1500 |
| освещение |
Ну а далее, как говориться, дело техники. Для подбора кабеля, который удовлетворит требованиям, существует другая таблица, где указаны сечение кабеля, мощность и ток, которые способны выдержать эти самые кабеля.
В данной таблице приведены значения для медных проводов кабелей, так как алюминиевые провода, на сегодняшний день, при монтаже электропроводки, практически никто не применяет.
Таблица выбора сечения кабеля и провода
Далее нам необходимо рассчитать сечение проводов и кабелей для розеточных групп и групп освещения. Если посмотреть на таблицу или просчитать из простых формул для расчета сечения проводов, то станет ясно, что, к примеру, для групп освещении вполне подойдет провод сечением 0.5 мм кв, а для розеточных групп достаточно провода сечением 1.5 мм кв.
Но, как правило, для освещения применяют провода диаметром не менее 1.5 мм кв, а для розеточных групп используют провода сечением не менее 2.5 мм кв, если конечно же не требуется питание приборов, суммарная мощность которых не выходит за пределы, которые способен выдержать данный провод. Связано это с тем, что провода, и неважно с какого металла они сделаны, подвержены коррозии, различным механическим нагрузкам как во время монтажа, так и во время эксплуатации.
К примеру, согласно таблице, при напряжении в сети 220 В, провод сечением 2.5 мм кв способен выдержать ток до 27 А(5.9 кВт). Для защиты проводов и потребителей, в данном случае, в качестве защиты устанавливают автомат, максимальный ток срабатывания которого должен быть не более 25 А.
При проектировании электропроводки, необходимо учитывать и длину магистрали, которая будет питать конечного потребителя. Также, согласно таблице, можно определить сечение и для остальных видов нагрузки. Также, во время проектирования, а затем и монтажа электропроводки, не стоит забывать и о селективности автоматов.
В любом случае, электричество незримо и не прощает ошибок и безалаберного отношения к работе. Доверяйте профессионалам!
О выборе марки кабеля читайте здесь - Какой кабель выбрать для проводки в квартире
Кроме тока и мощности проектировщики при выборе сечения кабеля используют ряд других важных параметров. Об этом читайте здесь: Как выбрать сечение кабеля - советы проектировщика
Почему алюминий постепенно изымается из обихода при монтаже электроустановок? Чем он плох и опасен? Ответ здесь: Почему алюминиевый кабель нельзя использовать в электропроводке
Медные и алюминиевые провода соединять не рекомендуется. Но иногда их соединяют. Как это делают?
Источник: https://stroyvsepodryad.info/stati/razvodka-elektroprovodki-v-derevyannom-dome-normativnye-dokumenty
Как правильно провести проводку в доме схема для новичка. Как правильно развести проводку в частном доме своими руками: пошаговая инструкция монтажа для новичка, схемы подключения

Разводка электрики в частном доме — сложный и ответственный процесс. Однако при наличии соответствующих навыков все этапы работ можно выполнить самостоятельно. При укладке кабелей необходимо соблюдать правила безопасности. В противном случае возрастает риск аварийных ситуаций.

Особенности монтажа электропроводки в частном доме
Проводить электричество на даче или в коттедже начинают сразу после возведения стен и крыши. На этом этапе пользуются услугами электрика или выполняют работы своими руками.
Второй вариант экономит время, однако для его реализации нужно уметь составлять схемы, владеть инструментом и строго соблюдать технику безопасности.
Главным требованием является надежность проводки.
Энергия к частным домам подводится от трансформаторной подстанции. Напряжение поступает по подземным или воздушным линиям. На первом этапе необходимо рассчитать суммарное энергопотребление. От этого зависит выбор типов кабелей, коммутационных и защитных приборов.
Основные требования к электропроводке в частном доме
Проектирование проводки выполняют с учетом норм СНиП, ПУЭ.
К ним относятся такие требования:
- Распределительный щиток с автоматом размещают на расстоянии 1,5-1,7 м от пола.
- Кабели укладывают горизонтально или вертикально. Наличие скошенных линий недопустимо.
- Провода отводят от распределительных коробок, розеток и защитных автоматов под прямым углом. То же правило касается поворотов линий. Размещать кабели по диагонали нельзя.
- От проемов до проводов оставляют расстояние более 15 см.
- Розетки монтируют на высоте 30-50 см от пола. Для выключателей это расстояние увеличивают до 80-90 см.
Какой способ прокладки электричества выбрать
Кабели в коттедже можно укладывать наружным или скрытым методом.
Открытая
Такой способ применяют в деревянных зданиях или при оформлении интерьеров в ретростиле. Проект предусматривает укладку кабелей в коробах или фиксацию керамическими изоляторами.
В последнем случае применяют специальные виды проводов. Потребуются накладные розетки и выключатели. При открытой укладке на схеме отображают места монтажа изоляторов.

Скрытая
В домах, построенных из современных материалов, проводку прячут в стенах. Скрытый метод — сложный в исполнении, поскольку требует штробления. В подготовленные каналы укладывают кабели.
После этого провода фиксируют быстро затвердевающим раствором. Розетки и выключатели должны быть врезными. Проектом предусматривается встраивание подрозетников.

Почему необходима схема электропроводки
Чертеж является основой будущей электропроводки. С его помощью определяют места пролегания кабелей, установки розеток, осветительных систем. По готовому чертежу делают разметку поверхностей.
В дальнейшем схема может пригодиться при ремонте вышедших из строя компонентов сети.
Создание проекта — сложная задача, ее стоит поручить специалистам.
От правильности схемы зависит безопасность жильцов дома.
Составление схемы электропроводки
Чертеж создают на основе плана жилого здания. Существуют установочные, функциональные и структурные схемы. Они должны содержать все компоненты электрической сети.
Электрическая
Этот документ определяет количество компонентов проводки и типы связей между ними. Электрическая схема дает детальное описание характера работы сети и подключаемых к ней приборов.

Структурная и функциональная
Первый вид схем отражает основные части сети, их назначения и способы соединения. Функциональный вариант используется для разъяснения процессов, протекающих в группах электропроводки.
Объединенная
Проект определяет отдельные компоненты сети и способы их соединения на месте эксплуатации.
Монтажная
Такие схема используется для разметки мест установки приборов. Она помогает рассчитать количество расходных материалов и проводов.

Источник: https://stroyvsepodryad.info/stati/razvodka-elektroprovodki-v-derevyannom-dome-normativnye-dokumenty
Сколько стоит сделать проводку в квартире с нуля. Прайс-лист на электромонтажные работы
На странице указаны цены на услуги электрика в Москве. Наша компания выполняет электромонтажные работы любой сложности в квартире, частном доме или офисе. Мы работаем по договору и сотрудничаем, как с юридическими, так и физическими лицами.
При условии заказа услуги у нас вызов электрика на дом не оплачивается. Опытные мастера имеют все необходимые допуски и оснащены профессиональным оборудованием для проведения монтажных и ремонтных работ любой сложности. С целью повышения безопасности при работе наши специалисты используют маски и перчатки, а также проходят ежедневный медицинский осмотр.
Объем работ оценивается мастером индивидуально. Полный набор услуг, сроки выполнения и сумма под ключ записываются в официальном договоре.
Установка розеток
| Название вида работ | Ед. изм. | Стоимость, руб. |
| Установка розеток и выключателей света | шт. | 180 |
| Установка розеток | шт. | 180 |
| Установка наружной розетки | шт. | 180 |
| Установка внутренней розетки | шт. | 230 |
| Установка розеток с заземлением | шт. | 250 |
| Установка компьютерной розетки RJ45 (интернет) | шт. | 230 |
| Установка телевизионной розетки (ТВ) | шт. | 230 |
| Установка телефонной розетки RJ11, RJ12, RJ45 | шт. | 230 |
| Установка розетки для электроплиты | шт. | 400 |
| Установка электроточки скрытой проводки (без высверливания чашечки) | шт. | 250 |
| Установка электроточки наружной | шт. | 350 |
| Установка подрозетников | шт. | 100 |
| Установка распаечной коробки наружной | шт. | 450 |
| Установка распаечной коробки внутренней | шт. | 650 |
| Ремонт розетки | шт. | 400 |
| Ремонт выключателя | шт. | 500 |
| Замена розетки | шт. | 180 |
| Монтаж механизма внутренней розетки | шт. | 200 |
| Замена механизма внутренней розетки | шт. | 300 |
| Установка двойной розетки в один подрозетник | шт. | 300 |
| Демонтаж розетки | шт. | 100 |
| Устройство отверстий в стене для подрозетников в гипсе, ГКЛ | шт. | 300 |
| Устройство отверстий в стене для подрозетников в кирпиче | шт. | 400 |
| Устройство отверстий в стене для подрозетников в бетоне | шт. |
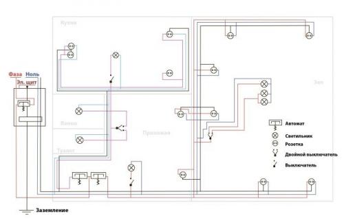
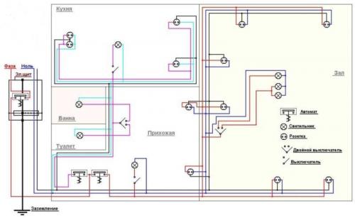
Какую проводку лучше использовать в частном доме. Схемы электропроводки в частном доме
Схема проводки в частном доме основывается на плане самого частного дома, то есть разрабатывается индивидуально на стадии проектирования. Схема учитывает специфику оборудования, которое подключается к данной проводке, и системы освещения.
В соответствии с требованиями и положениями, регламентирующими работу с электросетями,
Схема разводки электропроводки в частном доме бывает нескольких типов:
- Э лектрическая (принципиальная). Показывает, как включены в цепь энергопотребители и сколько их всего. При их составлении используют специальные значки, которые не применяют в других схемах.

- Монтажная. На ней отражены места монтажа различных устройств и связи между отдельным элементами системы. Схема позволяет рассчитать необходимое количество кабелей и расходных материалов. здесь можно увидеть разбивку на группы потребителей.

- Структурная. Показывает, что входит в состав сети, как она функционирует вместе с оборудованием после его подключения. Схема дает информацию о том, что необходимо для подключения и настройки.
- Функциональная . Отличается от структурной только детальным описанием отдельных узлов сети.
- Объединенная. Состоит из нескольких чертежей. Такая схема чаще всего используется при разработке сети в многоэтажных особняках.

Они в некоторой степени связаны друг с другом, взаимодополняют, отличаясь по назначению.
Основными элементами сети являются розетки, провода, выключатели, распределительные коробки, осветительные приборы, УЗО и другое . Снабжение частного дома электроэнергией начинается с электрощита, к которому подводится питающий провод с однофазным или трехфазным током.
Щит отображает группы потребителей:
- гнезда для розеток (розеточная группа);
- приборы для освещения;
- силовые элементы;
- хозяйственные потребители.
Если потребители разбиваются по этажам дома, то каждую такую группу необходимо защитить индивидуальными устройствами.
Группа для розеток и осветительных приборов имеется в каждой комнате. Для бытовой техники, имеющей большую мощность, требуется заземление.
Источник: https://stroyvsepodryad.info/stati/razvodka-elektroprovodki-v-derevyannom-dome-normativnye-dokumenty
Как найти электропроводку в стене с помощью смартфона. 5 способов найти скрытую проводку в стене
Обнаружить электропроводку не представляет особого труда при наличии специальных устройств. Тут многое зависит того, кто занимается поиском, от самого устройства и от его адекватной настройки. Когда приборов под рукой нет, а поиск проводки жизненно необходим, на помощь приходят старые проверенные методы.

Искателями
Чтобы найти скрытую в стене электрическую проводку можно использовать специальные устройства, называемые искателями. Их приобретают в любом магазине, торгующем электротоварами. Эти приборы бывают трех видов:
- Электромагнитными, улавливающими электромагнитное поле. Для их работы искомый кабель должен быть под напряжением.
- Электростатическими, работающими аналогично. Они весьма доступны и вполне эффективны при использовании на сухих поверхностях, где нет металла. Собственно, примером такого искателя служит обычная индикаторная отвертка.
- Металлоискатели. Подобные устройства сами наводят электромагнитное поле. При этом, металл, оказавшийся в этом поле, вызывает реакцию прибора. Здесь не требуется как-то нагружать искомый провод.
Искатели могут иметь функции поиска заземления, фазы и места обрыва электрокабеля.

Мультиметром
Этот способ хорошо подходит радиолюбителям. Достаточно недорогого китайского мультиметра и обычного полевика, типа КП103А. Чтобы провести исследование стены надо включить мультиметр в режим 200кОм, а его щупы присоединить к двум выводам транзистора, при этом правый будет служить антенной. Принцип работы состоит в том, что обнаруженное электромагнитное поле меняет сопротивление полевика, что фиксируется мультиметром.

Визуальный
При проведении капитального ремонта, чтобы обнажить бетонное или кирпичное основание, нужно снять со стен все покрытия. Когда на стене ничего нет, кабель-каналы видны даже невоооруженным глазом, или же их расположение можно определить по характерным впадинам и выпуклостям, видимым при более тщательном осмотре стен.

С помощью радиоприемника
Обнаружение электрической проводки с использованием радиоприемника также довольно эффективно. При этом его нужно настроить на100кГц и вести вдоль исследуемой стеновой поверхности. По кабелю должен идти электроток.
Чтобы создать качественные радиопомехи целесообразно включить электробритву. При обнаружении скрытой электропроводки радиоприемник начнет громко трещать.
Аналогично используют микрофон, подключенный к магнитоле с динамиками. При нахождении спрятанного в стене кабеля раздастся характерное гудение.

Смартфоном со специальным ПО
Помочь найти спрятанный электрический провод может android-смартфон. На него надо установить приложение-металлоискатель. Благодаря встроенным микрофону и динамику, из смартфона получается полноценный металлодетектор, который реагирует на любой металл в стене. При этом его чувствительности достаточно для определения кабель-канала со скрытой электропроводкой.
