Подключение однофазного двигателя. Различение типов однофазных двигателей на практике
- Подключение однофазного двигателя. Различение типов однофазных двигателей на практике
- Подключение однофазного конденсаторного двигателя. Подключение однофазного асинхронного двигателя и принцип его работы
- Как подключить однофазный двигатель к трехфазной сети. Подключение трехфазного двигателя к однофазной сети
- Подключение однофазного двигателя без конденсатора. Конструкция и принцип работы
- Как подключить однофазный двигатель с четырьмя проводами. Принцип действия и схема запуска
- Подключение однофазного двигателя с рабочим конденсатором. Схема подключения однофазного двигателя через конденсатор
Подключение однофазного двигателя. Различение типов однофазных двигателей на практике
Научимся, как отличить бифилярный двигатель от конденсаторного. Следует сказать, разница чисто номинальная. Схема подключения однофазного двигателя схожа. Бифилярная обмотка не предназначена работать постоянно. Будет мешать, снижать КПД. Поэтому обрывается после набора оборотов пускозащитным реле (присуще бытовым холодильникам), либо центробежными выключателями. Считается, пусковая обмотка работает несколько секунд. По общепринятым нормам, обеспечит запуск 30 раз в час длительностью 3 секунды каждый. Дальше витки могут перегреться (сгореть). Причина, ограничивающая нахождение пусковой обмотки под напряжением.
Разница номинальная, но профессионалы отмечают любопытную особенность, по которой судят, находится перед нами бифилярный, либо конденсаторный двигатель. Сопротивление вспомогательной обмотки. Отличается номиналом от рабочей более чем в 2 раза, скорее всего, двигатель бифилярный. Соответственно, обмотка пусковая. Конденсаторный двигатель работает, пользуясь услугами двух катушек. Обе постоянно находятся под напряжением.
Однофазный асинхронный двигатель
Тест нужно проводить осторожно, при отсутствии термопредохранителей, других средств защиты пусковая обмотка может сгореть. Придется вал раскручивать вручную, явно нелегкая задачка. Иногда целесообразно подключение однофазного асинхронного двигателя к однофазной сети выполнить, используя аналогичную схему, как сделано в предшествующем оборудовании. Рядовой холодильник снабжен пускозащитным реле, отдельная тема разговора. Параметры устройства тесно связаны с типом используемого двигателя, взаимная замена возможна далеко не в каждом случае (нарушение простого правила может вызвать поломку).
Упомянем дважды: выводов обмоток может быть три-четыре. Число неинформативно. Допустима пара контактов термопредохранителя. Плюс описанное выше, включая центробежный выключатель. В случае при прозвонке сопротивление либо мало, либо наоборот – фиксируем разрыв. Кстати, не забудьте при определении сопротивления каждый конец катушки пробовать на корпус. Изоляция стандартно не ниже 20 МОм. В противном случае стоит задуматься о наличии пробоя. Также допускаем, что трехфазный двигатель, имеющий внутреннюю коммутацию обмоток по типу звезды, может иметь выход нейтрали на корпус. В этом случае двигатель требует непременного заземления, под которую предусматривается клемма (но более вероятно, что мотор просто вышел из строя из-за пробоя изоляции).
Подключение однофазного конденсаторного двигателя. Подключение однофазного асинхронного двигателя и принцип его работы
Использовать необходимо только конденсаторы, которые идут в комплекте поставки. Подбирать конденсаторы нужно с рабочим напряжением не меньше В. Только после того, как будет достоверно установлено, что нет короткого замыкания на корпусе, определены контакты каждой из обмоток, можно приступать к подключению.
Роторные обмотки намотаны в виде рамок и помещаются в специальных пазах, а их переключение происходит при помощи коллекторных выводов и контактов в виде графитовых щёток.
В данной статье будет рассказано о том, как подключить однофазный электродвигатель в сеть В, в зависимости от его типа. Такие электромоторы также называют индукционными.
Эти моторы также могут быть использованы в установках для мойки, генераторах теплого воздуха, системах централизованного обогрева.
С целью смещения фаз последовательно в пусковую обмотку включается конденсатор, при подключении однофазного асинхронного электродвигателя круговое магнитное поле наводит в роторе токи. Для этого выполняют подключение, как на схеме.
Рассмотрим, как подключить однофазный электродвигатель, чтобы он выполнял роль генератора трехфазного напряжения. В формулах выше Iном — это номинальный ток фазы электродвигателя.
Такие устройства имеют коэффициент мощности больший, чем у выше описанных короткозамкнутых приборов, развивают по сравнению с ними больший вращающий момент.
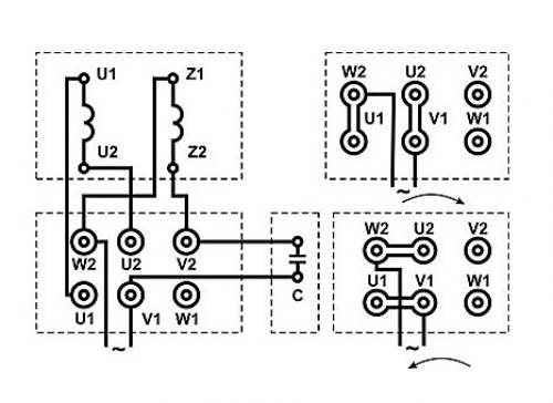
Как подключить однофазный двигатель к трехфазной сети. Подключение трехфазного двигателя к однофазной сети

Асинхронные трехфазные электродвигатели, а конкретно именно их, в следствии широкого распространения, нередко приходится применять, состоят из неподвижного статора и подвижного ротора. В пазах статора с угловым расстоянием в 120 электрических градусов уложены проводники обмоток, начала и концы которых (C1, C2, C3, C4, C5 и C6) выведены в распределительную коробку.

Подключение "треугольник" (для 220 вольт)

Подключение "звезда" (для 380 вольт)

Распределительная коробка трехфазного двигателя с положением перемычек для подключения по схеме звезда
При включении трехфазного мотора к трехфазной сети по его обмоткам в различный момент времени по очереди начинает идти ток, создающий крутящееся магнитное поле, которое ведетвзаимодействие с ротором, принуждая его крутиться. При подключении мотора в однофазовую сеть, крутящий момент, способный двинуть ротор, не создается.
В случае если вы можете подсоединить движок на стороне к трехфазной сети то опредилить мощьность не тяжело. В разрыв одной из фаз ставим амперметр. Запускаем. Показания амперметра умнажаем на фазовое напряжение.
В хорошей сети оно 380. Получаем мощьность P=I*U. Отнимаем % 10-12 на КПД. Получаете фактически верный результат.
Для измерения оборотов есть мех-ские приборы. Хотя на слух также возможно определить.
Посреди различных методов включения трехфазных электродвигателей в однофазную сеть наиболее обычный - включение третьего контакта через фазосдвигающий конденсатор.

Подключение однофазного двигателя без конденсатора. Конструкция и принцип работы
Вал со шпоночными канавками спереди и под вентилятор сзади; Герметичные крышки с подшипниками; Клеммная коробка. Например, если ток равен 1.
Здесь разницы нет, какой у вас будет рабочая, а какая пусковая обмотка. Его дальнейшее вращение происходит под воздействием инерционной силы. Потом подключенными останутся две обмотки, причем вспомогательная через конденсатор. Именно в этом причина популярности двигателя среди населения.
Даже если нельзя увидеть снаружи скрыт кожухом , заметим непременные графитовые щетки, прижатые пружинками. Ниже перечислены дефекты, которые сигнализируют о возможных проблемах с двигателем, их причиной могла стать неправильная эксплуатация или перегрузка: Сломанная опора или монтажные щели. Схема подключения коллекторного электродвигателя в В Схема подключения однофазного асинхронного двигателя схема звезда Как это работает Пуск двигателя с двумя расположенными подобным образом обмотками приведет к созданию токов на короткозамкнутом роторе и кругового магнитного поля в пространстве двигателя. Схемы подключения Варианты подключения двигателя через конденсатор: схема подключения однофазного двигателя с использованием пускового конденсатора; подключение электродвигателя с использованием конденсатора в рабочем режиме; подключение однофазного электродвигателя с пусковым и рабочим конденсаторами.
Как подключить однофазный двигатель с четырьмя проводами. Принцип действия и схема запуска
Однофазные асинхронные электродвигатели Устройство и принцип действия Мощность такого однофазного двигателя В может в зависимости от конструкции находиться в пределах от 5 Вт до 10 кВт. Второй неприятный момент — наличие щеток и постоянного трения приводит к необходимости регулярного технического обслуживания. Похожие статьи:. Знать устройство пусковой и рабочей обмоток однофазного двигателя надо обязательно.
Выбор вращения двигателя Существуют электродвигатели с идентичными обмотками — их называют двухфазными. Применение однофазных моторов Такой тип моторов применяют для работы устройств с малой мощностью.
На корпусе однофазного асинхронного электродвигателя должна быть схема подключения, где указываются выводы основной и дополнительной обмотки, а также емкость конденсатора.
В асинхронных — наоборот: магнитное поле статора вращает ротор! Среди недостатков этих моделей асинхронных электродвигателей выделяют низкий КПД, слабый пусковой момент, отсутствие реверса и сложность обслуживания магнитных шунтов.
Принцип действия Переменный электроток создаёт магнитное поле в статоре, которое имеет два поля, они одинаковы по амплитуде, частоте, но разнонаправленны.
Принцип работы — также. У рабочей обмотки его значение всегда меньше около 12 Ом , чем у пусковой обычно около 30 Ом.
Другие способы При рассмотрении методов подключения однофазных асинхронных двигателей нельзя обойти внимание два способа, конструктивно отличающихся от схем для подключения через конденсатор. После включения двигателя в электрическую сеть пульсирующий магнитный поток разделяется на 2 части.
Подключение однофазного двигателя.
Подключение однофазного двигателя с рабочим конденсатором. Схема подключения однофазного двигателя через конденсатор
Однофазные электродвигатели 220в подключают к сети с применением конденсатора. Это обусловлено некоторыми конструктивными особенностями агрегата. Так, на статоре мотора обмотка с переменным током создает магнитное поле, импульсы которого компенсируются лишь при условии смены полярности с частотой 50 Гц. Несмотря на характерные звуки, которые издает однофазный двигатель, вращение ротора при этом не происходит. Крутящий момент создается за счет применения дополнительных пусковых обмоток.
Чтобы понять, как подключить однофазный электродвигатель через конденсатор, достаточно рассмотреть 3 рабочие схемы с применением конденсатора:
- пускового;
- работающего;
- работающего и пускового (комбинированная).
Каждая из перечисленных схем подключения подходит для использования при эксплуатации асинхронных однофазных электродвигателей 220в. Однако каждый вариант имеет свои сильные и слабые стороны, поэтому они заслуживают более детального ознакомления.
Идея применения пускового конденсатора состоит в его включении в цепь лишь в момент запуска мотора. Для этого схемой предусматривается наличие специальной кнопки, предназначенной для размыкания контактов после выхода ротора на заданный уровень скорости. Его дальнейшее вращение происходит под воздействием инерционной силы.
Поддержание вращательных движений на протяжении длительного промежутка времени обеспечивается магнитным полем основной обмотки однофазного двигателя с конденсатором. Функции переключателя при этом может выполнять специально предусмотренное реле.

Схема подключения однофазного электродвигателя через конденсатор предполагает наличие нажимной пружинной кнопки, разрывающей контакты в момент размыкания. Такой подход обеспечивает возможность снизить количество используемых проводов (допускается применение более тонкой пусковой обмотки). Во избежание возникновения коротких замыканий между витками рекомендуется применять термореле.
При достижении критически высоких температур этот элемент деактивирует дополнительную обмотку. Аналогичную функцию может выполнять центробежный выключатель, устанавливаемый для размыкания контактов в случаях превышения допустимых значений скорости вращения.
Для автоматического контроля скорости вращения и защиты мотора от перегрузов разрабатываются соответствующие схемы, а в конструкции агрегатов вносятся различные корректировочные компоненты. Установку центробежного выключателя можно произвести непосредственно на роторном валу либо на сопряженных с ним (прямым или редукторным соединением) элементах.
Воздействующая на груз центробежная сила способствует натяжению пружины, соединенной с контактной пластиной. Если скорость вращения достигает заданного значения, происходит замыкание контактов, подача тока на двигатель прекращается. Возможна передача сигнала другому управляющему механизму.
Существуют варианты схем, при которых в одном элементе конструкции предусматривается наличие центробежного выключателя и теплового реле. Подобное решение позволяет деактивировать двигатель посредством теплового компонента (в случае достижения критических температур) либо под воздействием раздвигающегося элемента центробежного выключателя.
В случае подключения двигателя через конденсатор часто происходит искажение линий магнитного поля в дополнительной обмотке. Это влечет за собой увеличение мощностных потерь, общее снижение производительности агрегата. Однако сохраняются хорошие показатели пуска.
Применение рабочего конденсатора в схеме подключение однофазного двигателя с пуcковой обмоткой предполагает ряд отличительных особенностей. Так, после пуска отключения конденсатора не происходит, вращение ротора осуществляется за счет импульсного воздействия со стороны вторичной обмотки. Это существенно увеличивает мощность двигателя, а грамотный побор емкости конденсатора позволяет оптимизировать форму электромагнитного поля. Однако пуск мотора становится более продолжительным.
Подбор конденсатора подходящей мощности производится с учетом токовых нагрузок, что позволяет оптимизировать электромагнитное поле. В случае изменения номинальных значений будет происходить колебание по всем остальным параметрам. Стабилизировать форму линий магнитных полей позволяет использование нескольких конденсаторов с разными емкостными характеристиками. Такой подход позволяет оптимизировать рабочие характеристики системы, однако предусматривает возникновение некоторых сложностей в процессах монтажа и эксплуатации.
Комбинированная схема подключения однофазного двигателя с пусковой обмоткой рассчитана на использование двух конденсаторов — рабочего и пускового. Это оптимальное решение для достижения средних рабочих характеристик.