Электрика в деревянном доме, как делать правильно. Главные требования, предъявляемые к проводке
- Электрика в деревянном доме, как делать правильно. Главные требования, предъявляемые к проводке
- Монтаж электрики в доме. Разводим электропроводку в частном доме своими руками
- Электрика в частном доме. Электропроводка в частном доме — правила прокладки проводов, схемы, рекомендации
- Электроразводка в доме своими руками для чайников. Как правильно развести проводку в частном доме своими руками: пошаговая инструкция монтажа для новичка, схемы подключения
- Видео электропроводка в деревянном доме
Электрика в деревянном доме, как делать правильно. Главные требования, предъявляемые к проводке
Монтаж электропроводки в деревянном доме отличается особенными требованиями. Ввиду того, что строения из дерева относятся к категории пожароопасных, то и условия прокладки силовых кабелей и проводов совсем иные. Поэтому не стоит думать, раз вы умеете отличать «фазу» от «ноля» или меняете розетки с выключателями, то и вся электрика в деревянном доме своими руками вам будет по плечу.

Желательно, чтобы весь объём работ (от подведения электричества к дому и вплоть до установки последнего светильника) выполняли профессиональные электрики. Но так как среди людей этой профессии тоже встречается немало халтурщиков, каждому владельцу частного деревянного домостроения полезно будет знать основные принципы, требования и правила монтажа электропроводки, чтобы оценить потом качество выполненной работы.
- Проводка бытовой электрической сети в деревянном доме выполняется кабелем, имеющим негорючую оболочку и низкий уровень выделения дыма. Такой кабель вы легко сможете отличить по маркировке, в его аббревиатуре обязательно присутствуют буквы «нг» (не поддерживающий горение). Его внешняя оболочка сделана из негорючего поливинилхлорида, это качество достигается за счёт использования при изготовлении специальных пластикатов. У проводников такого типа снижен уровень выделения дыма, он при пожарах является особенно опасным фактором, ведь дымовая завеса ухудшает светопроницаемость и мешает проведению аварийно-спасательных работ.
- Разводка должна быть выполнена таким образом, чтобы полностью исключить возможность поражения электрическим током людей и домашних животных.

- Запрещается прокладка электрической проводки в деревянном доме вблизи нагреваемых поверхностей (дымоходы, печи, камины).
- Необходимо полностью исключить вероятность возгорания кабеля и перехода огня на деревянные поверхности в случае, если возникнет короткое замыкание.
- Монтаж скрытой электропроводки в деревянном доме выполняется только по несгораемым конструкциям.
- Проведенные кабели и провода, а также установленные коммутационные аппараты должны быть с такими эксплуатационными характеристиками, чтобы иметь достаточный запас для потребляемой суммарной мощности.
- Не допустим нагрев проводников и соединительных электрических узлов.
Важно помнить! Не стоит улучшать интерьерное оформление деревянного домостроения путём снижения уровня безопасности. Пытаясь решить эстетические проблемы, можно вызвать катастрофические последствия.
Монтаж электрики в доме. Разводим электропроводку в частном доме своими руками
Еще совсем недавно, разводка электропроводки в частном доме выполнялась из алюминиевого кабеля сечением 2.5 мм². И этого было более чем достаточно для подключения холодильника, утюга или радиоприемника.
Однако время не стоит на меньше, и с каждым днем количество бытовых приборов в доме только увеличивается (кондиционеры, электрические печи и духовые шкафы, бойлера, котлы автономного отопления и так далее). В связи с этим значительно возрастает нагрузка на электропроводку, что может привести к ее выходу из строя с последующим коротким замыканием или даже возгоранием.

По этой причине при новом строительстве или выполнении ремонтных работ, в первую очередь необходимо выполнять новый монтаж электропроводки в частном доме. Для этого можно либо заказать услуги профессионалов, либо же выполнить все работы своими руками.
Во втором случае будет крайне полезно прочитать данную статью, поскольку в ней будет подробно описан каждый из этапов электромонтажа и представлены все основные требования, рекомендации и ограничения при выполнении данного типа работ.
Основные этапы монтажа электропроводки в частном или загородном доме

Согласно многолетнему опыту в выполнении электромонтажных работ, все работы можно подразделить на следующие этапы:
- Составление схемы электроснабжения (количество и место расположения розеток, выключателей, светильников и так далее).
- Определение места установки распределительного щитка.
- Разметка потолков, стен и полов под прокладку кабельно-проводниковой продукции и установку подрозетников и распределительных коробок.
- Штробление стен под скрытую электропроводку.
- Штробление стен под установку распределительного щитка (при установке внутреннего щитка).
- Высверливание отверстий под установку подрозетников и распределительных коробок.
- Монтаж трасс для крепления гофры (если прокладка кабельно-проводниковой продукции будет выполнятся в гофре).
- Прокладка кабельно-проводниковой продукции.
- Установка подрозетников и черновая заделка штроб.
- Расключение распределительных коробок.
- Монтаж контура заземления.
- Проверка сопротивления заземления смонтированного контура.
- Сборка и монтаж щитка.
- Проверка работоспособности всех розеток и выключателей.
- Монтаж и подключение розеток, выключателей и осветительных приборов.
Рассмотрим более детально основные этапы, для того чтоб монтаж электропроводки в доме был выполнен качественно и прослужит не менее 20–25 лет (именно такой минимальный срок службы медной проводки).
Составление схемы электроснабжения (проект расстановки розеток и выключателей)
При строительстве или капительном ремонте первый этап — эта разработка проектно-сметной документации. Этим должны заниматься специализированные организации с лицензией. В данной статье этот вариант не будет рассмотрен, поскольку цель данной статьи — представить подробное описание выполнение электромонтажа своими руками.
В нашем случае проект (схема электроснабжение) подразумевает определится с местами установки розеток, выключателей, бытовых приборов, осветительных устройств, щитка освещения и способа прокладки проводов (скрытый или открытый). Рассмотрим какие существуют основные рекомендации при разработке плана электроснабжения.
Основные рекомендации при составлении схемы электроснабжения частного дома

- Вся кабельно-проводниковая продукция в независимости от варианта монтажа должна выполнятся строго вертикально или горизонтально.
- Повороты кабелей должны выполнятся строго под углом 90°.
- Минимально расстояние от кабелей порталам, оконным и дверным проемам не должно быть менее 10–15 см.
- Оптимальное расстояние от уровня чистого пола до выключателей должно составлять 90 см (в соответствии с европейскими стандартами).
- Оптимальная высота расположения розеточных групп — 30 см от уровня чистого пола (за исключением розеток на рабочей поверхности в кухне, в ванной для подключения фена, бритвы, бойлера и так далее).
- Розетки рекомендуется размещать по обеим сторонам кровати или дивана.
- В местах установки телевизоров, количество розеток должно быть не менее 4 шт (2 шт для интернета и телевизионного кабеля и 2 для подключения телевизора и тюнера).
- Для больших коридоров и комнат рекомендуется применять проходные выключатели.
- Все мощные потребители (кондиционеры, электрические печи и духовки, бойлеры, котлы отопления и так далее) должны подключатся исключительно с распределительного щитка с отдельно установленной защитой.
- Оптимальная высота установки распределительного щитка — 1.5–1.7 м от уровня чистого пола.
- Запрещается прокладывать кабельно-проводниковую продукцию ближе чем 20 см к газовой трубе.
- Все металлические элементы и розетки должны быть обязательно заземлены.
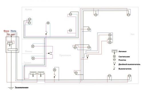
Электрика в частном доме. Электропроводка в частном доме — правила прокладки проводов, схемы, рекомендации
Монтаж электропроводки в частном доме своими руками без соответствующей подготовки и допуска выполнять не стоит. Причина банальна – электричество является источником повышенной опасности и при несоблюдении норм и правил, экономия на найме специалиста в этой области может закончиться трагедией. Однако знания в этой области не будут лишними ни для кого. Они позволят оперативно выполнить мелкий ремонт отдельных участков сети, проконтролировать работу наемного персонала, оценить удобство и надежность предлагаемой монтерами схемы разводки. В сегодняшней публикации будет рассказано о самых важных моментах, касаемых электропроводки в частных домах.
Пример электрической разводки в частном доме
Схема подключения
Схема подключения электропроводки – это способ упорядочения всех проводов, кабелей и защитных устройств в пределах комнаты, отдельной квартиры или целого дома. При ее составлении важно учитывать нормы безопасности, удобство разводки и логистику. Правильное соотношение этих параметров гарантирует бесперебойную работу, безопасность и экономическую выгоду для застройщика.
Пример схемы электрической проводки
Помимо сказанного разработанная схема должна учитывать распределение в доме электрических приборов и уровень нагрузки от них на сеть. При правильных расчетах, вы защитите бытовую технику от скачков напряжения, провода от перегрева, отдельные линии от перегрузки.
Интересно знать! При преувеличении порога нагрузки на отдельную линию, будет срабатывать автомат защиты, обесточивая ее, что станет потенциальной большим неудобством для жильцов, которые не смогут, к примеру, включить электрический чайник, пока включена и работает электрическая духовка.
Поэтому так важно к проектированию электрической проводки отнестись бережно и внимательно. Напоминаем, что этим должны заниматься квалифицированные специалисты, нанимая которых, обязательно составьте договор на подряд, по которому исполнитель будет отвечать за потенциальные проблемы по всей строгости закона.
Мы же предлагаем общую информацию, которая поможет пользователю оценить профессионализм электрика и подстрахует его при выборе схемы.
Основные правила составления плана электропроводки дома
Еще в 90-е годы прошлого века набор электрических приборов в среднем доме ограничивался минимумом: телевизор, осветительные приборы, магнитофон (+видео), холодильник, пылесос, стиральная машина. Сегодня вся наша жизнь наполнена электрическими приборами. К перечисленному, которого может быть и по несколько штук добавьте всевозможные гаджеты, персональные компьютеры, электрические кухонные приборы, отопительные приборы и так далее.
В связи с этим нагрузка на отдельные линии электропроводки возросла, что потребовало пересмотрения подхода к их прокладке. Если ранее вся квартира или дом могла запитываться последовательно, то сегодня каждое помещение, а порой и отдельные приборы подключаются независимо.
Пример разводки проводов в современном доме
Вот в какой последовательности проектируется такая схема:
- Первым делом создается план всех помещений, на котором указывается положение вводного щитка.
- Затем указывается положение таких элементов как розетки, выключатели, распределительные коробки, самые мощные бытовые приборы, точки освещения. При этом уже необходимо представлять потребляемую мощность приборов. Заранее это все не покупается, но нет ничего сложного в том, чтобы отыскать данные в интернете на аналогичную технику и сделать некоторый запас прочности. Пользователь уже сейчас должен определить, где будет стоять компьютер или висеть телевизор – это позволит скрыто проложить не только электрические провода, но и кабели связи (интернет и антенный).
- Выбирается способ прокладки кабелей – открытый или закрытый. Первый применяется в таких домах, где провести провода скрыто невозможно или потенциально опасно, например, в деревянном доме. Второй вариант подойдет для каркасных, железобетонных, кирпичных и прочих блочных строений. Провода помещаются в нарезанные на поверхностях штробы, после чего закрываются слоями штукатурного состава. Скрытая проводка считается более безопасной и эстетически привлекательной.
Электроразводка в доме своими руками для чайников. Как правильно развести проводку в частном доме своими руками: пошаговая инструкция монтажа для новичка, схемы подключения

Разводка электрики в частном доме — сложный и ответственный процесс. Однако при наличии соответствующих навыков все этапы работ можно выполнить самостоятельно. При укладке кабелей необходимо соблюдать правила безопасности. В противном случае возрастает риск аварийных ситуаций.

Особенности монтажа электропроводки в частном доме
Проводить электричество на даче или в коттедже начинают сразу после возведения стен и крыши. На этом этапе пользуются услугами электрика или выполняют работы своими руками.
Второй вариант экономит время, однако для его реализации нужно уметь составлять схемы, владеть инструментом и строго соблюдать технику безопасности.
Главным требованием является надежность проводки.
Энергия к частным домам подводится от трансформаторной подстанции. Напряжение поступает по подземным или воздушным линиям. На первом этапе необходимо рассчитать суммарное энергопотребление. От этого зависит выбор типов кабелей, коммутационных и защитных приборов.
Основные требования к электропроводке в частном доме
Проектирование проводки выполняют с учетом норм СНиП, ПУЭ.
К ним относятся такие требования:
- Распределительный щиток с автоматом размещают на расстоянии 1,5-1,7 м от пола.
- Кабели укладывают горизонтально или вертикально. Наличие скошенных линий недопустимо.
- Провода отводят от распределительных коробок, розеток и защитных автоматов под прямым углом. То же правило касается поворотов линий. Размещать кабели по диагонали нельзя.
- От проемов до проводов оставляют расстояние более 15 см.
- Розетки монтируют на высоте 30-50 см от пола. Для выключателей это расстояние увеличивают до 80-90 см.
Какой способ прокладки электричества выбрать
Кабели в коттедже можно укладывать наружным или скрытым методом.
Открытая
Такой способ применяют в деревянных зданиях или при оформлении интерьеров в ретростиле. Проект предусматривает укладку кабелей в коробах или фиксацию керамическими изоляторами.
В последнем случае применяют специальные виды проводов. Потребуются накладные розетки и выключатели. При открытой укладке на схеме отображают места монтажа изоляторов.

Скрытая
В домах, построенных из современных материалов, проводку прячут в стенах. Скрытый метод — сложный в исполнении, поскольку требует штробления. В подготовленные каналы укладывают кабели.
После этого провода фиксируют быстро затвердевающим раствором. Розетки и выключатели должны быть врезными. Проектом предусматривается встраивание подрозетников.

Почему необходима схема электропроводки
Чертеж является основой будущей электропроводки. С его помощью определяют места пролегания кабелей, установки розеток, осветительных систем. По готовому чертежу делают разметку поверхностей.
В дальнейшем схема может пригодиться при ремонте вышедших из строя компонентов сети.
Создание проекта — сложная задача, ее стоит поручить специалистам.
От правильности схемы зависит безопасность жильцов дома.
Составление схемы электропроводки
Чертеж создают на основе плана жилого здания. Существуют установочные, функциональные и структурные схемы. Они должны содержать все компоненты электрической сети.
Электрическая
Этот документ определяет количество компонентов проводки и типы связей между ними. Электрическая схема дает детальное описание характера работы сети и подключаемых к ней приборов.

Структурная и функциональная
Первый вид схем отражает основные части сети, их назначения и способы соединения. Функциональный вариант используется для разъяснения процессов, протекающих в группах электропроводки.
Объединенная
Проект определяет отдельные компоненты сети и способы их соединения на месте эксплуатации.
Монтажная
Такие схема используется для разметки мест установки приборов. Она помогает рассчитать количество расходных материалов и проводов.
