Электрощиток В частном доме своими руками. Собираем электрощит для частного дома на 380 В 15 кВт
- Электрощиток В частном доме своими руками. Собираем электрощит для частного дома на 380 В 15 кВт
- Распределительный щит В частном доме. 5 вариантов трехфазной схемы распределительного щита.
- Сборка электрощита с узо и реле напряжения. УЗИП или реле напряжения
- Сборка щитка своими руками. Как правильно собрать электрический щиток своими руками
Электрощиток В частном доме своими руками. Собираем электрощит для частного дома на 380 В 15 кВт
Сборка электрощита для частного дома напряжением 380 В и мощностью до 15 кВт требует соответствующего подхода и наличия следующего инструмента:
- плоскогубцы;
- плоская и фигурная отвёртки;
- обжимные клещи;
- монтажный нож с набором сменных лезвий.
Все работы начинаются с планирования, а если хозяин дома предпочитает обратиться в электротехническую компанию, то перед началом монтажа составляется проект и предварительная схема. Также следует подготовить составляющие щита и расходные материалы (опрессовочные наконечники, термоусадку, DIN-рейку, дюбели).
Из каких элементов состоит электрический щит
Закупать составляющие электрощита необходимо сразу, чтобы впоследствии не терять время и не ездить по несколько раз за день в электротехнический магазин. Мощность щита определена, она составляет 15 кВт, это означает, что максимальная потребляемая мощность не превысит 15 кВт/ч.
Электрощит частного дома, перечень элементов:
- Счётчик электрической энергии . Счётчик является первым элементом, который должен быть установлен в щите. Лучшим решением станет покупка электронного устройства, рассчитанного на подключение трёх фаз. Такие измерительные приборы обладают высокой точностью и длительным сроком эксплуатации. Вся информация выводится на цифровой экран. Электронные счётчики могут быть запрограммированы на функционирование в нескольких тарифах.

- Электрический щит . Сейчас в магазинах имеется большое количество электрощитов самых различных размеров и рассчитанных на определённое количество элементов. Цена на изделие варьируется в зависимости от наличия DIN-рейки, встроенного замку, а также смотрового окна (специально для снятия показаний со счётчика). Следует обратить на защиту от пыли и влаги, её уровень должен составить не менее IP 54. Габариты — 445×400×150, и толщины стенки в 1 мм.

- Вводной автоматический выключатель . Следует приобретать трёхполюсный автомат, ведь заводимое напряжение в дом составит 380 В, а это означает наличие трёх фаз.

- Устройство защитного отключения (УЗО) . Монтируется в обязательном порядке, так как является защитным элементом при появлении опасного потенциала на корпусе электроприбора.

- Автоматические выключатели. Подбирать ампераж следует исходя из нагрузки потребителя, о чём будет рассказано далее.

- Реле напряжения . Защищает бытовые электроприборы от скачков напряжения. Многие пользователи устанавливают реле, но оно не является обязательным элементом. Также сейчас получило широкое применение устройство защиты от импульсных скачков (УЗИП). Например, при ударе молнии в воздушную ЛЭП, напряжение в доме достигнет высоких пределов, что станет губительным для всей техники. УЗИП вовремя отключит сеть, но, как и реле напряжения, устанавливают его не часто.

- Измерительные приборы. Также являются необязательным элементом электрощита. К измерительным приборам относятся амперметры и вольтметры, часто комбинируемые в одно изделие.

Распределительный щит В частном доме. 5 вариантов трехфазной схемы распределительного щита.
Все распределительные щиты должны выполнять 3 основные задачи:
- защита кабеля от перегрузок и КЗ
С этой целью в щитах монтируются автоматические выключатели. Они в первую очередь предназначены именно для защиты кабеля, а не подключенного к ним оборудования, как многие до сих пор думают.
При перегрузках, при перегреве срабатывает тепловой расцепитель и защищает от оплавления изоляцию проводки. При явном КЗ срабатывает уже не тепловой, а электромагнитный расцепитель.
- защита человека от поражения электрическим током
Обеспечивается она путем установки УЗО или дифф.автоматов. 
- защита техники от перепадов напряжения
К сожалению, в наших сетях зачастую происходят скачки напряжения. Автоматы на это не реагируют, так как просто не рассчитаны на такую защиту.
УЗО также не приспособлено на срабатывание от перенапряжения. Для этого понадобятся модульные реле напряжения или УЗМ – устройства защиты многофункциональные. 
На них выставляются определенные верхние и нижние пределы по напряжению. Как только произошел скачок, или наоборот резкое снижение параметров эл.сети, данное реле (УЗМ) срабатывает и отключает питание. 
Отличие при сборке трех и однофазных щитов
Чем же отличается сборка 3-х фазного щита, с условием обеспечения вышеперечисленных задач, от сборки однофазного? Понятно, что однофазный на порядок проще трехфазного.
Там есть только единственная фаза, ноль и защитное заземление. В 3-х фазном, к вам в щит приходит те же ноль, защитное заземление и уже 3 фазы. 
С одной стороны это дает вам возможность подключать гораздо большую нагрузку, и получить у энергопередающей организации большую мощность для подключения. Но с другой стороны, это всегда несет и большие затраты, плюс необходимость грамотного распределения этой самой нагрузки.
Вы не можете (по крайне мере это будет на правильно) взять и подключить все приборы в доме на одну фазу, а две другие держать в качестве резерва. Это грозит перекосом нагрузки по фазам.
В результате, напряжение на одной из них будет низким, а на двух других подскочит на несколько единиц или даже десятков вольт. Конечно, можно самого себя от этого защитить, установив соответствующие приборы (например переключатели фаз), а вот ваши соседи из-за неграмотно собранного 3-х фазного щитка будут страдать.
Причем не по своей вине или вине энергоснабжающей организации, а именно из-за вас.
Поэтому главная задача и отличие трехфазного щита – это необходимость как можно равномернее распределить нагрузку по всем фазам.
Есть множество вариантов сборки и комплектации трехфазных щитков. Не будем рассматривать самые простейшие с минимальным количеством вводного оборудования. 
Выберем более сложные по комплектации, но в тоже время достаточно универсальные. В связи с резким увеличением количества эл.приборов в наших квартирах и домах, они в последнее время приобретают все большую популярность.
Сборка на дифф.автоматах
Преимущества:
- каждая линия защищена как от КЗ, перегрузок, так и от утечек. И все это одни аппаратом.
- проще установить проблемную зону при повреждениях
- отсутствуют нулевые шины
- у вас полная свобода в группировке аппаратов в щите
- легко распределять нагрузку по фазам
- большие габариты щита и большое количество модульных устройств (от 72шт и более)
- очень дорого
Дифференциальный автомат это оборудование, которое ставится на отдельную линию, как обычный автомат, но еще включает в себя и защиту от утечек (дифф.защиту). 
Это хоть и самый лучший вариант, но и самый дорогой. Поэтому используется крайне редко.
Общая сумма такой сборки может достигать 200 тысяч рублей.
Условно говоря, сколько у вас будет отходящих групповых линий, столько же понадобится дифф.автоматов.
При этом, чтобы при возможных авариях понять, от чего отключился такой автомат, от утечки или КЗ, рекомендуется использовать модели с индикацией причины срабатывания.
В начале схемы монтируется вводное устройство – рубильник. С него пускаете питание на реле напряжения. 
Далее, через кросс-модули разделяете нагрузку на диффы. На каждый автомат пускаете по одной фазе.
Если в последствии окажется, что та или иная линия перегружает какую-либо из фаз, вам достаточно на одном из кросс модулей просто поменять их местами, перекинув провода с одной шинки на другую. 
Если вы не ограничены бюджетом, то это самый лучший вариант сборки и комплектации трехфазного щитка.
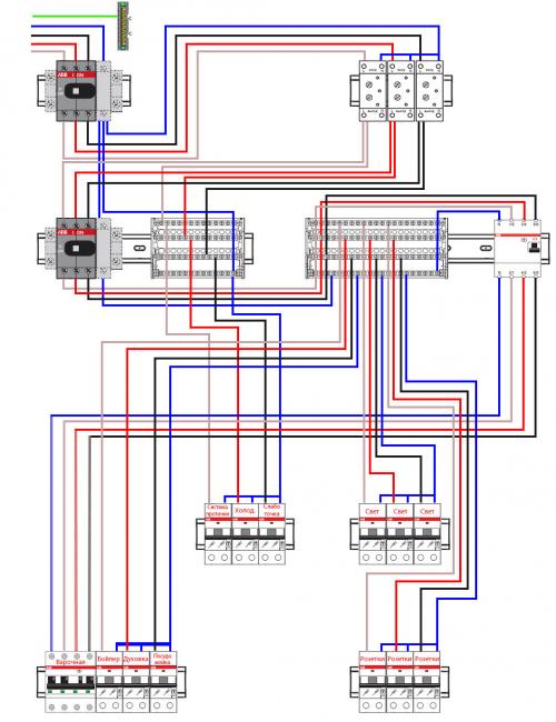
Сборка электрощита с узо и реле напряжения. УЗИП или реле напряжения
Устанавливать их начали все и везде. Грубо говоря оно защищает вас от того, чтобы в дом не пошло 380В вместо 220В. При этом не нужно думать, что повышенное напряжение попадает в проводку по причине недобросовестного электрика.
Вполне возможны природные явления, не зависящие от квалификации электромонтеров. Банально упало дерево и оборвало нулевой провод. 
Также не забывайте, что любая ВЛ устаревает. И даже то, что к вашему дому подвели новую линию СИПом, а в доме у вас смонтировано все по правилам, не дает гарантии что все хорошо на самой питающей трансформаторной подстанции – КТП. 
Там также может окислиться ноль на шинке или отгореть контакт на шпильке трансформатора. Никто от этого не застрахован.
Именно поэтому все новые электрощитки уже не собираются без УЗМ или РН различных модификаций. 
Что же касается устройств для защиты от импульсных перенапряжений, или сокращенно УЗИП, то у большинства здесь появляются сомнения в необходимости их приобретения. А действительно ли они так нужны, и можно ли обойтись без них?
Подобные устройства появились достаточно давно, но до сих пор массово их устанавливать никто не спешит. Мало кто из рядовых потребителей понимает зачем они вообще нужны. 
Первый вопрос, который у них возникает: ”Я же поставил реле напряжения от скачков, зачем мне еще какой-то УЗИП?”
Запомните, что УЗИП в первую очередь защищает от импульсов вызванных грозой. Здесь речь идет не о банальном повышении напряжения до 380В, а о мгновенном импульсе в несколько киловольт!

Никакое реле напряжения от этого не спасет, а скорее всего сгорит вместе со всем другим оборудованием. В то же самое время и УЗИП не защищает от малых перепадов в десятки вольт и даже в сотню. 
Например устройства для монтажа в домашних щитках, собранные на варисторах, могут сработать только при достижении переменки до значений свыше 430 вольт.
Поэтому оба устройства РН и УЗИП дополняют друг друга.
Сборка щитка своими руками. Как правильно собрать электрический щиток своими руками
Как известно, ремонт сродни стихийному бедствию небольших масштабов, и один из его неотъемлемых компонентов — электрификация жилого или служебного помещения. Насколько важную роль играет электричество в доме мы вспоминаем, когда оно внезапно исчезает по причине аварии. Обеспечение квартиры или частного дома электроснабжением, как правило, включает два базовых компонента, это — монтаж электропроводки и сборка электрощита.
Каждый из этих компонентов предусматривает последовательное выполнение ряда шагов, на первый взгляд достаточно несложных, однако, как показывает практика, в подавляющем большинстве случаев, требующих участия профессионального электрика. Если же хозяин помещения намерен самостоятельно решить проблему подачи электроэнергии в дом или квартиру, необходимо, как минимум, тщательно изучить матчасть, то есть подготовиться теоретически, перед тем как собрать электрощиток своими руками.

Электрощит — сердце домашней системы электроснабжения
Мы не ошибёмся, если скажем, что главной функцией электрощита, установленного дома, в офисе, кафе или любом другом помещении, является распределение электроэнергии потребителям и обеспечение безопасности при использовании электроприборов. Каждый владелец жилого или служебного помещения в какой-то момент вынужден разбираться с проблемой: как собрать электрический щиток. Длительная бесперебойная работа огромного количества бытовой техники, которой наполнен сегодня любой дом или офис, в большой степени зависит от того, насколько правильно собран электрощит.
Сам щиток представляет собой пластиковый или металлический ящик, в котором размещены компоненты (или модули), каждый из которых выполняет определённую функцию. Существуют так называемые внутренние электрощитки, то есть утопленные в стену, и наружные — размещённые на стене.
В частном доме электрощиток достаточно часто устанавливают под открытым небом, в этом случае потребуется влагозащищённая конструкция прибора (степень защиты IP65). Учитывая то обстоятельство, что вряд ли электрощит будет меняться ежегодно или даже раз в пять лет (как правило, прибор служит гораздо больше), будет целесообразным при выборе устройства отдать предпочтение пусть и более дорогому, но качественному щитку известной марки с запасом посадочных мест.

С чего начинать?
Каждый опытный электрик подтвердит, что гораздо проще приступать к работе по монтажу электрощита и проводки, имея перед глазами план помещения с указанием предполагаемого размещения бытовой техники, осветительных приборов, а также розеток и распределительных коробок. Определившись с количеством и мощностью потребителей, необходимо составить схему самого электрощитка. Однолинейная схема может выглядеть следующим образом:

На этой схеме все потребители разбиты на 20 групп, для каждой из которых указаны:
- марка провода и сечение жилы, мм²;
- мощность;
- потребляемый ток;
- тип автоматического выключателя с указанием номинального тока.
Для непосвящённого такая схема выглядит достаточно сложно, поэтому можно воспользоваться упрощённым схематическим изображением расположения компонентов электрощита.
Для большей наглядности схему электрощита можно изобразить так:

Или даже так:
где
- 1 — вводной АВ;
- 2 — счётчик;
- 3 — нулевая шина;
- 4 — шина заземления;
- 5–10 — АВ потребителей.
Имея в руках такую схему, гораздо проще разобраться, как правильно собрать электрический щиток.
Как правильно сформировать группы потребителей
Распределяя потребители электроэнергии по группам, следует придерживаться определённых правил:
- мощные потребители (2 кВт и более), к числу которых относятся, как правило, варочная поверхность, духовой шкаф, водонагреватель, стиральная машина и так далее, следует запитывать отдельным выключателем. Кабель при этом должен идти от щитка к потребителю, минуя распределительные коробки;
- двухкиловаттные потребители подключаются медным кабелем сечением 2.5 мм² и автоматическим выключателем 16 А. Если руководствоваться табличными данными, то для прибора мощностью 2 кВт достаточно и провода 1.5 мм², а также автомата на 10 А, но для создания некоторого запаса монтируются, как правило, компоненты следующего уровня;
- в ряде случаев (если мощность потребителя превышает 2 кВт) может потребоваться провод сечением 4 мм² с АВ 25А или же провод 6 мм² с АВ 32 А — такие компоненты иногда используются при подключении варочной поверхности, духового шкафа или проточного водонагревателя;
- для каждой комнаты следует сделать отдельную розеточную линию, которая из распределительной коробки будет иметь разветвление на требуемое число розеток;
- то же самое относится и к линии освещения — каждая из них подключается, как правило автоматом 10 А и проводом 1.5 мм².






